这款电路仿真模拟器的中文版本是一款非常出色的电路设计辅助工具,具备极其强大的功能,随时随地帮助你在线学习布线知识,并手动绘制电流与电压的波形图,使你对电路的理解更加深入!立即前往快优下载网站,点击下载并体验吧!
仿真电路模拟器Droid Tesla Pro是一款适用于安卓系统的SPICE仿真软件。SPICE代表“集成电路仿真的程序”,是一种广泛使用的高性能通用电路仿真工具。此软件仅推荐给专业用户使用!
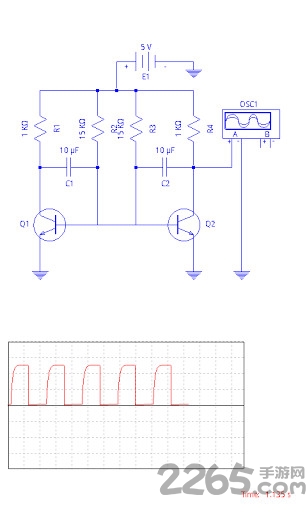
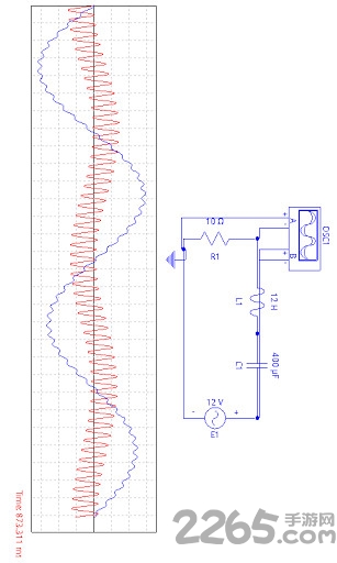
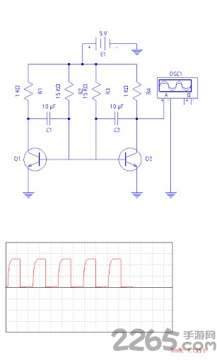
支持构建任意类型的电路,点击播放按钮后,即可观看动态的电压和电流变化过程。软件提供电压波形与电流的动画展示。可调节模拟控制旋钮以修改电路参数。具备自动布线功能。内置示波器。支持无缝进行直流与瞬态仿真。支持保存与加载电路原理图。采用从地面构建的仿真引擎。

· 开关,单刀单掷(SPST),单刀双掷(SPDT)
· 按钮,常开(NO),常闭(NC)
· 电源,信号发生装置
· 受控电源,电压控制电压源(VCVS),电压控制电流源(VCCS),电流控制电压源(CCVS),电流控制电流源(CCCS)
· 电阻、电容、电感、变压器
· 电压表、电流表、欧姆表
· 电位器、灯泡
· 二极管、稳压二极管、发光二极管(LED)
· MOS场效应晶体管(MOSFET)
· 双极型晶体管(BJT)
· 理想运算放大器(运放)
· 数字逻辑门,与门(AND)、或门(OR)、非门(NOT)、与非门(NAND)、或非门(NOR)、异或门(XOR)、同或门(XNOR)
· 继电器
· 555定时器
· 计数器
· 七段显示器及解码器
· 提升系统运行效率,提升用户体验。
· 修复了一些已知的小问题。





1.37G
674M
383.8M
398M
1.41G
397.5M
中级会计云题库app
办公学习
handjoy游戏大厅
其它软件
班迪录屏手机版
系统工具
易拍堂app
理财购物
es文件解压缩官方版
系统工具
仿真电路模拟器汉化版
系统工具
青鸟动态壁纸app
主题壁纸
小学生汉语字典app
办公学习
维佳001画室app
办公学习
清理内存垃圾软件手机版
系统工具